
注水流量計
- 品*:JKM/凱銘儀表
- 型號:JKM-LDE
- 測量范圍:0.028~205258m3/h
- 精度等級:0.5級、1.0級
- 公稱通徑:DN10~DN2200
- 適用介質:污水、導電液體
- 工作壓力:1.6~6.3MPa
- 工作溫度:-20~+200℃
- 供電方式:220V 24V 鋰電池
- 訂貨號:IXZ183180DIB
注水流量計產品概述
LDE系列電磁流量計除可測量一般導電液體的流量外,還可測量液固兩相流,高粘度液流及鹽類、強酸、強堿液體的體積流量。
由于電磁流量計有其獨特的優點,因此被廣泛應用于化工化纖,食品,造紙,制糖,礦冶,給排水,環保,水利水工,鋼鐵,石油,制藥等工業領域中,用來測量各種酸堿,鹽溶液,泥漿,礦漿,煤水漿,玉米漿,纖維漿,糧漿,石灰乳,污水,冷卻原水,給排水,鹽水,雙氧水,啤酒,麥汁,各種飲料,黑液,綠液等,導電液體介質的體積流量。

注水流量計產品特點
1.獨立性強,測量不受液體密度、粘度、溫度壓力和電導率等物理量變化的影響。
2.結構簡單,故障率低,測量管內無活動及阻流部件,不堵塞、無壓損。
3.適用范圍廣,量程比寬,適合導電液體,含有纖維、固體顆粒和懸浮物的液體。
4.安裝要求低,直管段要求低(前 5D 后 2D)。
5.工作穩定可靠,采用低頻方波勵磁,功耗小,零點穩定。
6.輸出信號多樣性,可輸出與流速成正比例的線性模擬信號、數字信號及報警信號。
注水流量計工作原理
流量計測量原理是基于法拉*電磁感應規律。流量計的測量管是一內襯絕緣材料的非導磁合金短管。兩只電極沿管徑方向穿通管壁固定在測量管上。其電極頭于襯里內表面基本齊平。勵磁線圈由雙向方波脈沖勵磁時,將在與測量管軸線垂直的方向上產生一磁通量密度為B的工作磁場。此時,如果具有一定電導率的流體流經測量管,將切割磁力線感應出電動勢E。電動勢E正比于磁通量密度B,測量管內徑d與平均流速 的乘積、電動勢E(流量信號)由電極檢出并通過電纜送至轉換器。轉換器將流量信號放大處理后,可顯示流體流量,并能輸出脈沖,模擬電流信號,用于流量的測量和控制。

式中: E---------為電極間的信號電壓(v)
B---------磁通密度(T)
d---------測量管內徑(m)
V--------平均流速(m/s)
K---------常數
由于K為常數,勵磁電流是恒流的,故B也是常數,則由(1-1)式可知,體積流量Q與信號電壓E成正比,即流速感應的信號電壓E與體積流量Q成線性關系。因此,只要測量出E就可確定流量Q,這就是電磁流量計的基本工作原理。
由(1-1)式可知,被測流體介質的溫度、密度、壓力、導電率、液固兩相流體介質的液固成分比等參數不會影響測量結果。至于流動狀態只要符合軸對稱流動(如層流或紊流)就不會影響測量結果的。因此說電磁流量計是一種真正的體積流量計。

注水流量計的主要技術數據
1、口徑:DN15~3000mm
2、介質:導電性液體
3、襯里:氯丁橡膠、聚氨酯橡膠、聚四氟乙烯、聚全氟乙丙烯
4、流速:≤15m/s
5、勵磁方式:方波勵磁
6、電極材料:不銹鋼316L、哈氏合金C、哈氏合金B、鈦、鉭、鉑銥
7、額定壓力:0.6MPa、1.0MPa、1.6MPa、4.0MPa
8、介質溫度:氯丁橡膠:-10~60℃;聚氨酯橡膠:-10~40℃
9、聚四氟乙烯(F4):-10~120℃;聚全氟乙丙烯(F46):-10~150℃
10、介質電導率:>5μs/cm
11、準確度等級:±1.0%;±0.5%;±0.2%
12、輸出信號:4~20mA電流,脈沖頻率,上下限報警
13、通訊:RS485/RS232(可選)
14、防護等級:IP65、IP67、IP68
15、防爆等級:ExdⅡCT3-CT6
16、電纜接口:M18*1.5
17、環境條件:環境溫度:-10~50℃ 相對濕度:5%~90% 環境電磁場:≤400A/m
18、供電電源:85~250VAC;20~36VDC;3.6V電池供電
注水流量計口徑、流量范圍對照表

注水流量計規格尺寸對照表


注水流量計襯里材料的選擇
注水流量計口徑、流量范圍對照表

注水流量計規格尺寸對照表


注水流量計襯里材料的選擇
1、襯里材料:聚四氟乙烯(F4)
主要性能:是化學性能*穩定的一種塑料,能耐沸騰的鹽酸、硫酸、硝酸和王水,也能耐濃堿和各種有機溶劑。不耐三氟化氯、高溫三氟化氯、高流速液氟、液氧、自氧的腐蝕。
*高介質溫度一體型:70℃
*高介質溫度分離型:100℃ 150℃ (需特殊訂貨)
適用范圍:1、濃酸、堿等強腐蝕性介質。 2、衛生類介質。
2、襯里材料:聚全氟乙丙烯(F46)
主要性能:同F4,耐磨性、抗負壓能力高于F4。
*高介質溫度一體型:70℃
*高介質溫度分離型:100℃ 150℃ (需特殊訂貨)
適用范圍:除砂漿等強磨損性介質外的所有流體。與PTFE一樣,能用于飲料等有衛生要求的介質。
3、襯里材料:聚氟合乙烯(Fs)
主要性能:適用溫度上限較聚四氟乙烯低,但成本也較低。
*高介質溫度一體型:70℃
*高介質溫度分離型:80℃
適用范圍:
4、襯里材料:聚氯丁橡膠
主要性能:1、有極好的彈性,高度的扯斷力,耐磨性能好。2、耐一般低濃度酸、堿、鹽介質的腐蝕,不耐氧化介質的腐蝕。
*高介質溫度一體型:70℃
*高介質溫度分離型:80℃ 120℃ (需特殊訂貨)
適用范圍:水、污水、弱磨損性的泥漿礦漿。
5、襯里材料:聚氨酯橡膠
主要性能:1、耐磨性能極強。2、耐腐蝕性能較差。
*高介質溫度一體型:70℃
*高介質溫度分離型:80℃
適用范圍:中性強磨損的礦漿、煤漿、泥漿。
注水流量計電極材料的選擇
1、電極材料:不銹鋼0Crl8Nil2M02Ti
耐蝕及耐磨性能:用于工業用水、生活用水、污水等具有弱腐蝕性的介質,適用于石油、化工、鋼鐵等工業部門及,市政、環保等領域。
2、電極材料:哈氏合金B
耐蝕及耐磨性能:對沸點以下的一切濃度的鹽酸有良好的耐蝕性,也耐硫酸、磷酸、氫氟酸、有機酸等非氯化性酸、堿,非氧化性鹽液的腐蝕。
3、電極材料:哈氏合金C
耐蝕及耐磨性能:能耐非氧化性酸,如硝酸、混酸、或鉻酸與硫酸的混合介質的腐蝕,也耐氧化性鹽類如:Fe,Cu下或含其他氧化劑的腐蝕,如高于常溫的次氯酸鹽溶液、海水的腐蝕。
4、電極材料:鈦
耐蝕及耐磨性能:能耐海水、各種氯化物和次氯酸鹽、氧化性酸(包括發煙硫酸)、有機酸、堿的腐蝕。不耐較純的還原性酸(如硫酸、鹽酸)的腐蝕,但如酸中含有氧化劑(如硝酸、Fc++、Cu++)時,則腐蝕大為降低。
5、電極材料:鉭
耐蝕及耐磨性能:具有優良的耐蝕性和玻璃很相似。除了氫氟酸、發煙硫酸、堿外,幾乎能耐一切化學介質(包括沸點的鹽酸、硝酸和l 50℃以下的硫酸)的腐蝕。在堿中刁;耐蝕。
6、電極材料:鉑/鈦合金
耐蝕及耐磨性能:幾乎能耐一切化學介質,但不適用于王水和銨鹽。
7、電極材料:不銹鋼涂覆碳化鎢
耐蝕及耐磨性能:用于無腐蝕性,強磨損性的介質。
注: 由于介質種類繁多,其腐蝕性又受溫度、濃度、流速等復雜因素影響而變化,故本表僅供參考。用戶應根據實際情況自己做出選擇,必要時應做擬選材料的耐腐試驗,如掛片試驗。
注水流量計儀表安裝
2.6.1 安裝須知
流量計的設計、試驗和供電均有安全規定,用戶必須嚴格遵守本說明書的有關條款確保流量計的安全操作及運行。保證電磁流量計測量精度的必要條件如下:
1.被測液體介質必須具有導電性。
2.被測液體介質必須充滿管道。
3.被測液體介質必須均勻,以避免電導率的不均勻性(會產生嚴重干擾),如需動態加入化學物質,應在儀表下游處注入。
4.電磁流量計系統必須良好接地。
5.流量計入口直管段至少 5 倍 DN (測量管道內徑),出口直管段至少 2 倍 DN。
6.在流量計附近,避免強電磁場干擾,避免安裝在大型電機或變壓器等設備附近。
2.6.2 安全措施
為保障人身和設備的安全,須遵守以下條款:
1.在選擇位置和安裝流量計之前,必須認真閱讀完本說明書有關部分,同時要考慮流量計、相關設備和機身環境的安全要求。
2.應由具備一定儀表知識的人員進行儀表的安裝和維修。
3.正確安裝流量計傳感器及配管,保證密封安全可靠,液體壓力不得超過銘*上規定的*高工作壓力。
4.采取一定措施,防止觸電事故。
5.流量計的吊裝設備應符合安全規定。
2.6.3 安裝前的檢查
1.檢查法蘭、襯里、殼體和出線套有無損傷。
2.打開盒蓋、檢查接線印刷電路板有無松動或損壞。
3.檢查銘*中型號編碼與訂貨編碼是否相符。
2.6.4 吊裝
流量計應采用正確吊裝方法進行吊裝,吊裝設備的安全載荷及防護措施應符合有關規定。禁止在轉換器箱體(一體式流量計)或接線盒(分離型流量計)處用繩拴接起吊儀表。

2.6.5 正確選擇安裝位置
正確地選擇安裝位置和正確安裝流量計都是非常重要的環節,若在安裝環節失誤,輕者影響測量精度,重者會影響流量計的使用壽命,甚至會損壞流量計。選擇安裝位置時應注意以下問題:
1.測量電極的軸線必須近似于水平方向(與水平線夾角一般為 10°以內)

2.測量管道內必須完全充滿液體。
3.流量計的前方*少要有 5×D(D 為流量計內徑)長度的直管段,后方*少要有 2×D(D為流量計內徑)長度的直管段。

4.流體的流動方向和流量計的箭頭方向一致。
5.管道內要有真空會損壞流量計的內襯,需特別注意。
6.在流量計附近應無強電磁場,儀表安裝場所的磁場強度應小于 400A/m(避免安裝在大型電機或變壓器等設備附近)。
7.若測量管道有振動,在流量計的兩邊應有固定的支座。
8.測量不同介質的混合液時,混合點與流量計之間的距離*少要有 30×D(D 為流量計內徑)。
9.為方便今后流量計的清洗和維護,應安裝旁通管道。

10.安裝聚四氟乙烯內襯的流量計時,連接兩法蘭的螺栓應注意均勻擰緊,否則容易壓壞聚四氟乙烯內襯,*好用力矩扳手。
11.儀表應避免強烈振動和過大的溫度變化,同時要防止腐蝕性液體的滴漏對儀表造成損害。
12.如果安裝地點易受陽光曝曬,應當增加遮蔽設施。
13.安裝傳感器時,應保證測量管與工藝管道同軸。對 50mm 及以下公稱通徑的傳感器,其軸線偏離不超過 2mm。DN65~DN150 其軸線偏離不超過 3mm,≥DN200 其軸線偏離不超過 4mm。
14.法蘭之間加裝的法蘭墊圈,應有良好的耐腐蝕性能,該墊圈不得伸入管道內部。
15.緊固儀表螺栓、螺母,其螺紋應完整無損,潤滑良好。應依據法蘭尺寸、力矩大小采用力矩扳手緊固螺栓。
16.在傳感器鄰近管道進行焊接或火焰切割時,要采用隔離措施,防止襯里受熱,且必須確認儀表未通電運行,防止損壞儀表。
2.6.6 安裝方式
應安裝在水平管道較低處和垂直向上處,避免安裝在管道的*高點和垂直向下處。

應安裝在管道的上升處。

在開口排放的管道安裝,應安裝在管道較低處。若管道落差超過 5m,在傳感器的下游安裝排氣閥且傳感器的下游應有一定的背壓。

應在傳感器的下游安裝控制閥和切斷閥,而不應安裝在傳感器上游。

傳感器絕對不能安裝在泵的進口處,應安裝在泵的出口處。

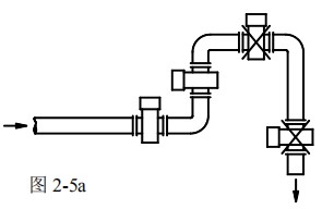
在測量井內安裝流量計的方式:1.入口 2.溢流管 3. 清洗孔 4.入口柵 5. 短管 6.流量計 7.出口 8.排放閥

2.6.7 接地要求
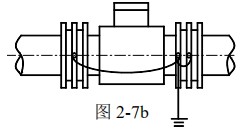
電磁流量計的接地是非常重要的,若接地不好,無法正常運行,傳感器部分應有良好的單獨接地線(銅芯截面積為 1.6mm2),接地電阻<10Ω。
1.接地環
若與傳感器連接的管道是絕緣性的,則需用接地環,應選擇其材質和電極的材質一樣,若被測介質是磨損性的,應選擇帶頸接地環。

2.接地方式
流量計在金屬管道上的安裝,金屬管道內壁沒有絕緣涂層。

流量計在塑料或內壁有絕緣涂料、油漆、內補等管道上安裝時,應在傳感器的兩端安裝接地環。

流量計在陰極保護管道上安裝,防護電解腐蝕的管道一般在其壁和外壁是絕緣的,安裝時注意接地環和管道上的法蘭應絕緣。

2.6.8 改變轉換器盒的方向
轉換器盒可以根據需要作四個不同方向的轉變。
1.一體型流量計的轉換器盒方向的改變
① 取下固定轉換器盒的 4 個六角螺絲。
② 將轉換器盒轉到理想的方向,旋轉時注意內部連接線。
③ 重新固定轉換器盒。
2.分體型流量計的接線盒方向的改變
① 取下固定接線盒的 4 個六角螺絲
② 將接線盒轉到理想的方向,旋轉時注意內部連接線
③ 重新固定接線盒。
2.7 運行
應遵守 2.6.1 節及 2.6.2 節中的各項安全條款和規定。
2.7.1 運行前的檢查
流量計投運前進行下述檢查:
1.流量計在運輸和安裝中有無損傷;
2.使用電源電壓同銘*電壓是否相符;
3.使用正確流量值的保險絲;
4.表正確接地;
5.量程設定是否正確(見轉換器部分有關內容);
檢查后,打開管道閥門使液體充滿管線系統,應注意排除泄露和系統內的殘留氣體。接通儀表電源,一般流量計通電預熱 10 分鐘即可正常工作。
2.7.2 流向調整
流量計和流向規定見 2.6.5 節,對于分離型流量計,雖然安裝傳感器能保證流向箭頭同現場實際正向一致。因存在用戶接線的問題,有可能出現下述狀況:
1.具有單向輸出轉換器,有正向流量時輸出顯示零或負值(如0~10mA的0mA或4~20mA的4mA)。
2.具有雙向顯示的轉換器,有正向流量時,輸出為負向顯示。此時只要斷開電源,調接任一側兩勵磁線(EXT+及 EXT-)位置,就可使輸出方向,實際正向流向、箭頭方向保持一致。
2.8 維修
進行維修之前,必須閱讀 2.5.1 節及 2.5.2 節中的安全條款。
當確認流量計發生故障時,可同制造廠聯系。
2.8.1 常規維修
一般需目檢電氣連接有無破損及儀表工作是否正常。
2.8.2 故障檢查(參照轉換器部分有關內容)
如果儀表不能令人滿意地工作,可按以下步驟檢查:
1.檢查流量計管線閥門是否全部打開,管道是否充滿液體,流量計是否在接近流量范圍上限值流量下工作;
2.檢查儀表電源、開關、保險絲等供電設施是否正常;
3.檢查故障點是在電纜中還是在儀表中;
4.檢查轉換器的編號和儀表系數與傳感器是否一致;
5.檢查量程設定是否正確;
6.檢查流量計輸出連接是否正確及接地是否良好;
7.按轉換器部分規定內容檢查。
2.8.3 電磁流量計故障分析和現象匯總表:

2.9 運輸與貯存
為防止儀表在轉運時受到損傷,在到達安裝現場以前,請保持制造廠發運時的包裝狀態。在存過程中,貯存地點應具備下列條件:
1.防雨防潮;
2.機械振動小,并避免沖擊;
3.溫度范圍-20~60℃;
4.溫度低于 80%,*好在 50%左右;
5.貯存使用過的傳感器,須先清除附著于襯里和電極表面上的被測介質;6.露天貯存,儀表性能可能會受影響。
附錄
LDG 智能系列電磁流量計編碼一覽表

上一篇:淡水流量計|分體電磁式
下一篇:井水流量計|遠傳電磁式


